Ekonomi

Bayraktar AKINCI’dan başarılı test! Gök Vatan’ın vurucu gücüne güç kattı

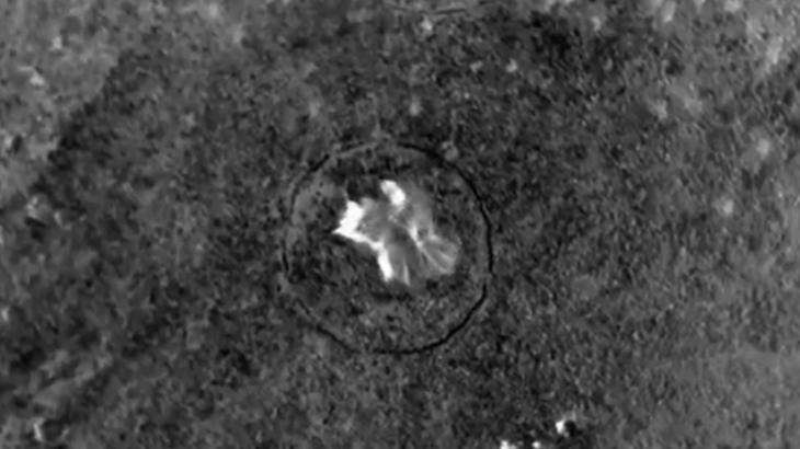
Bayraktar AKINCI’nın TEBER-83 güdüm kitiyle yaptığı atışa ait imajlar Baykar’ın X hesabından paylaşıldı.

ROKETSAN’ın TEBER-83 güdüm kitiyle birinci kere atış yapan Bayraktar AKINCI, testi muvaffakiyetle gerçekleştirdi.

Cumhurbaşkanlığı Savunma Sanayii Başkanı Haluk Görgün, X’ten yaptığı paylaşımda, Bayraktar AKINCI’nın TEBER-83 güdüm kiti ile gerçekleştirdiği birinci atış testiyle Gök Vatan’ın vurucu gücüne güç kattığını belirtti.

Baykar ve ROKETSAN’ın mühendislik vizyonunun, Ulusal Teknoloji Atağı’nın stratejik kararlılığını bir kere daha alanda gösterdiğini aktaran Görgün, “Yüksek teknoloji, tam isabet, yerli akıl. Baykar ve ROKETSAN’ı yürekten tebrik ederim.” sözünü kullandı.

MİLLİ MÜHİMMATLARIN ENTEGRASYON SÜRECİ MUVAFFAKİYETLE SÜRÜYOR

Mart ayında 100 bin uçuş saatini muvaffakiyetle tamamlayan Bayraktar AKINCI’ya ulusal mühimmatların entegrasyon süreci muvaffakiyetle devam ediyor.

Bugüne kadar Bayraktar AKINCI’yla MAM-L, MAM-L TV, MAM-T, MAM-T IIR/TV, MAM-C, TOLUN, TOLUN IIR, TEBER-81, TEBER-82, LAÇİN 82 LGK-81, LGK-82, HGK-82, Gökçe güdüm kiti, Beğenilen güdüm kiti, KGK-82-SİHA, İHA-230 süpersonik füze, TV Arayıcı ve lazer arayıcı başlıklı İHA-122 süpersonik füze ve ÇAKIR seyir füzesi muvaffakiyetle test edildi.

Baykar tarafından ihracatına yönelik 11 ülkeyle kontrat imzalanan Bayraktar AKINCI, dünyanın birçok farklı noktasında aktif biçimde misyon yapmaya devam ediyor​​​​​​​.

Kaynak : Milliyet

İlgili Makaleler

Bir yanıt yazın

E-posta adresiniz yayınlanmayacak. Gerekli alanlar * ile işaretlenmişlerdir

Başa dön tuşu